Structural Engineering
Structural engineering services for residential, commercial, and municipal based projects.
Our Services
-

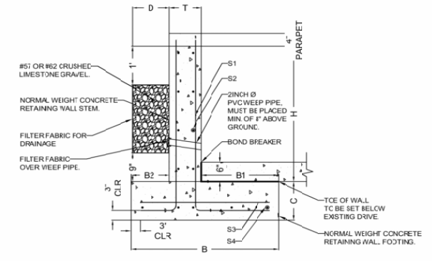
Engineering for Retaining Walls
Masonry stone retaining walls
Concrete retaining walls
Segmental block retaining walls
At STATES Contracting and Construction LLC, we specialize in the engineering design and structural analysis of retaining walls throughout Texas and surrounding regions. Whether you're building in Houston, Dallas, Austin, San Antonio, or beyond, we bring practical insight and precision to every project.
We design stone, segmental block (SRW), and cast-in-place concrete retaining walls that are safe, code-compliant, and visually aligned with your goals. From residential to commercial applications, we ensure every wall is engineered for long-term performance.
Our Services Include:
*Structural design for gravity and reinforced retaining walls
*Geotechnical analysis: sliding, overturning, bearing, global stability
*Concrete and natural stone detailing
*Surcharge and site grading evaluation
*Drainage and backfill design
*Stamped construction drawings and engineering reports
Backed by licensed engineering expertise and construction experience, STATES Contracting and Construction delivers durable, efficient retaining wall solutions tailored to your site—with a focus on Texas, and service available across the U.S.
-

Engineering for Foundations
Foundation plans for large and small scale houses
Commercial building foundations
Municipal building foundations
We provide expert foundation engineering services tailored to the unique soil conditions and structural requirements found throughout Texas and nearby regions. From residential builds to commercial and industrial projects, our designs are rooted in precision and practical engineering.
We deliver custom foundation design and analysis for shallow and deep foundation systems, factoring in geotechnical reports, structural loads, and local code requirements. Our collaborative approach ensures every foundation is engineered to perform under real-world conditions.
Our Foundation Engineering Services Include:
*Slab-on-grade, pier and beam, and crawl space foundation design
*Shallow and deep foundation systems (spread footings, drilled piers, helical piles)
*Construction drawings and stamped engineering reports
With extensive experience in Texas’s complex soil environments, STATES Contracting and Construction LLC delivers reliable, code-compliant foundation solutions tailored to your site.
-

Steel and Wood Frame Engineering
Residential wood framing plans
Steel framing plans
Framing plans for commercial and municipal based projects
At STATES Contracting and Construction LLC, we offer expert structural design services for cold-formed steel (CFS) and wood-framed systems used in residential, commercial, and light industrial projects.
We create code-compliant framing layouts that are efficient, buildable, and aligned with architectural plans. Our team handles load calculations, structural detailing, and coordination with other disciplines to deliver clear, construction-ready drawings.
Services Include:
*Cold-formed steel framing design (walls, floors, roofs, lateral systems)
*Wood framing design (roof trusses, joists, beams, shear walls, headers)
*Load calculations for gravity and wind forces.
*Value engineering and framing optimization
*Stamped structural drawings and coordination with project teams
With experience across a wide range of building types, STATES Contracting and Construction provides framing solutions that support your project from concept to construction.